Устройство и принцип работы
РДГ-25-Н(В); РДГ-50-Н(В); РДГ-80-Н(В); РДГ-150-Н(В)
- Состав изделия
- Комплектность
- Устройство и принцип работы
- Маркировка и пломбирование
- Упаковка
- Рисунок 1 (Регулятор давления газа РДГ-Н)
- Рисунок 2 (Регулятор давления газа РДГ-В)
- Рисунок 3
- Использование по назначению
- Рисунок 4 (Номограмма по определению пропускной способности РДГ)
- Таблица 5 (Пропускная способность РДГ (седло ?45мм, р=0,72 кг/см2))
- Таблица 6 (Пропускная способность РДГ (седло ?40мм, р=0,72 кг/см2))
- Таблица 7 (Пропускная способность РДГ (седло ?35мм, р=0,72 кг/см2))
- Таблица 8 (Пропускная способность РДГ (седло ?30мм, р=0,72 кг/см2))
- Таблица 9 (Пропускная способность РДГ (седло ?65мм, р=0,72 кг/см2))
- Таблица 10 (Пропускная способность РДГ (седло ?98мм, р=0,72 кг/см2))
- Рисунок 5
Состав изделия
Регулятор давления газа РДГ-Н имеет в своем составе: исполнительное устройство 2, фильтр 13, манометр 17, стабилизатор 16, регулятор управления (КН-2) 15, механизм контроля 12, дросселя 8, 8а, в соответствии с рисунком 1; РДГ-В исполнительное устройство2, регулятор управления (КВ-2) 15, механизм контроля 12, фильтр 13, дросселя 8, 8а в соответствии с рисунком 2.
Комплектность
Таблица 2.
| Комплект поставки регулятора | ||
|---|---|---|
| Наименование и шифр изделия или детали | Шифр изделия и количество | |
| Комплект поставки РДГ-Н | Комплект поставки РДГ-В | |
| Регулятор РДГ-Н | 1 | |
| Регулятор РДГ-В | 1 | |
| Паспорт (руководство по эксплуатации) РДГ | 1 | |
| Пружина РДГ-80-05-29-06 (∅4,5) | ||
| Специальный ключ: РДГ-80-05-00-23 | 1 | 1 |
Примечания: Завод-изготовитель поставляет регулятор РДГ-Н и РДГ-В с настройкой на минимальное выходное давление по пункту 3 таблицы 1.
Устройство и принцип работы
Регулятор давления газа изготавливается в двух исполнениях РДГ-Н в соответствии с рисунком 1 и РДГ-В в соответствии с рисунком 2.
Исполнительное устройство 2 автоматически поддерживает заданное выходное давление на всех режимах расхода газа посредством изменения величины зазора между клапаном 4 и седлом 3.
Исполнительное устройство 2 состоит из корпуса с седлом и направляющей колонкой 3, мембраны с жестким центром 6, защемленной по периметру между крышками верхней и нижней и соединенной по центру толкателем со стержнем 5, свободно перемещающимися во втулках направляющей колонки и толкающими клапан 4.
Фильтр 13 предназначен для очистки газа, используемого для управления регулятором от механических примесей, поступающих в регулятор из системы ГРП или ГРУ.
Фильтр 13 состоит из двух корпусов, один из которых имеет штуцер для входа давления, второй имеет выход для выхода давления.
Между корпусами помещен фильтрующий элемент.
Манометр предназначен для контроля выходного давления после стабилизатора или для контроля входного давления в регулятор управления (КН-2).
Стабилизатор 16 предназначен для поддержания постоянного давления на входе в регулятор управления, т.е. для исключения влияний колебаний входного давления на работу регулятора в целом и устанавливается только на регуляторе низкого давления РДГ-Н в соответствии с рисунком 1. Давление по манометру после стабилизатора должно быть 0,2 МПа (для обеспечения требуемого быстродействия).
Стабилизатор 16 выполнен в виде регулятора прямого действия и состоит из клапана с седлом и планкой перекрытия седла с пружиной нагрузки и узла мембраны с жестким центром, защемленной по периметру двумя корпусами и соединенной по центру толкателем с планкой клапана.
Регуляторы управления КН-2 и КВ-2 вырабатывают управляющее давление для подмембранной полости исполнительного устройства с целью перестановки регулирующего клапана.
Регулятор управления КН-2 в соответствии с рисунком 1 и КВ-2 в соответствии с рисунком 2 состоит из головки регулятора с двумя штуцерами для входного и выходного давления, мембранной камеры со штуцером для подвода импульса входного давления. Узел мембраны с жестким центром и пружинной нагрузкой защемлен по периметру между корпусом и крышкой и соединен по центру толкателем с клапаном головки.
В регуляторе управления низкого давления КН-2 устанавливаются сменные нагрузочные пружины для обеспечения полного диапазона выходного давления. Пружина КПЗ-50-05-06-02ТБ (?2,5) обеспечивает Рвых=0,0015...0,0030 МПа, пружина РДГ-80-05-29-06 (?4,5) обеспечивает Рвых=0,0030...0,0600 МПа.
В регуляторе управления высокого давления КВ-2 устанавливается более сильная пружина, опорная шайба и крышка с меньшей рабочей площадью.
Регулируемые дроссели 8 и 8а в подмембранной полости исполнительного устройства и на импульсной трубке служат для настройки на спокойную (без автоколебаний) работу регулятора.
Регулируемые дроссели 8 и 8а каждый состоит из дросселя 18 и штуцера 19 в соответствии с рисунком 3.
Механизм контроля 12 отсечного клапана предназначен для непрерывного контроля выходного давления и выдачи сигнала на срабатывание отсечного клапана в исполнительном устройстве при аварийных повышении и понижении выходного давления сверх допустимых заданных значений.
Механизм контроля 12 состоит из двух разъемных крышек, узла мембраны, защемленной по периметру крышками, штока механизма контроля 11, большой 22 и малой 21 пружины, уравновешивающих действие на мембрану импульса выходного давления.
Регулятор работает следующим образом:
Газ под входным давлением поступает через фильтр 13 к стабилизатору 16, затем под давлением 0,2МПа в регулятор управления (КН-*) 15 (для исполнения РДГ-Н).
От регулятора управления (для исполнения РДГ-Н) газ через регулируемый дроссель 8 поступает в подмембранную полость исполнительного устройства.
Надмембранная полость исполнительного устройства через дроссель 8а и импульсную трубку 9 связана с газопроводом за регулятором.
Давление в подмембранной полости исполнительного устройства при работе всегда будет больше выходного давления. Надмембранная полость исполнительного устройства находится под воздействием выходного давления. Регулятор управления (КН-2) (для исполнения РДГ-В) поддерживает за собой постоянное давление, поэтому давление в подмембранной полости также будет постоянным (в установившемся режиме).
Любые отклонения выходного давления от заданного вызывают изменения давления в надмембранной полости исполнительного устройства, что приводит к перемещению клапана 4 в новое равновесное состояние, соответствующее новым значениям входного давления и расхода, при этом восстанавливается выходное давление.
При отсутствии расхода газа клапан 4 закрыт, т.к. отсутствует управляющий перепад давления в надмембранной и подмембранной полостях исполнительного устройства и действием выходного давления.
При наличии минимального потребления газа образуется управляющий перепад давления в надмембранной и подмембранной полостях исполнительного устройства, в результате чего мембрана 6 с соединенным с ней стержнем 5, на конце которого закреплен клапан 4, придет в движение и откроет проход газу, через образующуюся щель между уплотнителем клапана и седлом.
При дальнейшем увеличении расхода газа под действием управляющего перепада давления в указанных выше полостях исполнительного устройства мембрана придет в дальнейшее движение и стержень 5 с клапаном 4 начнет увеличивать проход газа через увеличивающуюся щель между уплотнителем клапана 4 и седлом.
При уменьшении расхода через клапан 4 под действием измененного управляющего перепада давления в полостях исполнительного устройства уменьшит проход газа через уменьшающуюся щель между уплотнителем клапана и седлом и в дальнейшем перекроет седло.
В случае аварийных повышений или понижений выходного давления мембрана механизма контроля 12 перемещается влево или вправо, рычаг отсечного клапана выходит из соприкосновения со штоком 11 механизма контроля 12, отсечный клапан под действием пружины 10 перекрывает ход газа в регулятор.
В связи с постоянными работами по усовершенствованию регулятора, в конструкцию могут быть внесены изменения, не отраженные в настоящем РЭ.
Маркировка и пломбирование
Регулятор имеет маркировку содержащую:
- Товарный знак или наименование предприятия-изготовителя;
- Обозначение регулятора;
- Номер изделия по системе предприятия-изготовителя;
- Год изготовления;
- Условный проход;
- Условное давление;
- Условная пропускная способность;
- Знак направления потока среды;
- Шифр технических условий;
- Знак соответствия при обязательной сертификации.
Маркировка нанесена на табличке по ГОСТ 12969-67 и корпусе регулятора, кроме условной пропускной способности, которая приведена в РЭ.
Маркировка транспортной тары соответствует 1.7 ГОСТ 14192-96 с нанесением предупредительных знаков согласно чертежу РДГ-80 ТрВСб.
Пломбирование тары производится лентой бандажной М-0,4...0,5х20 по периметру тары ГОСТ 3560-73.
Упаковка
Регулятор установлен в деревянный ящик и надежно закреплен в нем. Эксплуатационная документация и комплект запасных частей обернуты в водонепроницаемую бумагу, упакованы в полиэтиленовый пакет и уложены в ящик с регулятором.
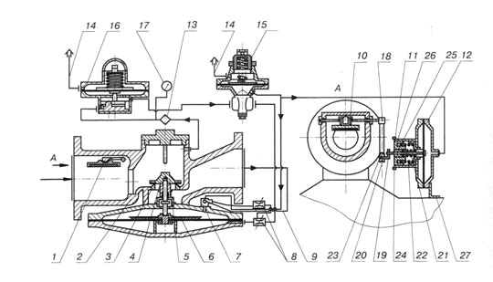
Рисунок 1 (Регулятор давления газа РДГ-Н)

1-клапан отсечной; 2-исполнительное устройство; 3-седло; 4-клапан рабочий; 5-стержень; 6-мембрана исполнительного устройства; 7-дроссельная шайба; 8-дроссели регулируемые; 9-трубка импульсная входного газопровода; 10-пружина отсечного клапана; 11-шток механизма контроля; 12-механизм контроля; 13-фильтр; 14-свеча; 15-регулятор управления (КН-2); 16-стабилизатор; 17-манометр; 18-рычаг отсечного клапана давления; 19-кронштейн; 20-винт; 21-пружина малая; 22-пружина большая; 23-скобы; 24-кронштейн; 25-рег. винт малой пружины; 26-рег. винт большой пружины; 27-кронштейн.
Рисунок 2 (Регулятор давления газа РДГ-В)

1-клапан отсечной; 2-исполнительное устройство; 3-седло; 4-клапан рабочий; 5-стержень; 6-мембрана исполнительного устройства; 7-дроссельная шайба; 8-дроссели регулируемые; 9-трубка импульсная входного газопровода; 10-пружина отсечного клапана; 11-шток механизма контроля; 12-механизм контроля; 13-фильтр; 14-свеча; 15-регулятор управления (КН-2); 16-стабилизатор; 17-манометр; 18-рычаг отсечного клапана давления; 19-кронштейн; 20-винт; 21-пружина малая; 22-пружина большая; 23-скобы; 24-кронштейн; 25-рег. винт малой пружины; 26-рег. винт большой пружины; 27-кронштейн.
Рисунок 3

18-дроссель; 19-штуцер.
Использование по назначению
1. Эксплуатационные ограничения.
1.1. Регулируемая среда — природный газ по ГОСТ 5542-87
1.2. Максимально допустимое входное давление 1,2 МПа.
2. Подготовка изделия к использованию.
2.1. Распаковать регулятор.
2.2. Проверить комплектность поставки в соответствии с пунктом 1.4.1. РЭ.
2.3. Проверить регулятор наружным осмотром на отсутствие механических повреждений и сохранности пломб.
2.4. Указание об ориентировании изделия.
2.4.1. Регуляторы устанавливаются на горизонтальном участке газопровода мембранной камерой вниз. Присоединение регуляторов к газопроводу фланцевое по ГОСТ 12820-80.
2.4.2. Расстояние от нижней крышки мембранной камеры до пола и зазор между мембранной камерой и стенкой при установке регулятора в ГРП и ГРУ должен быть не менее 100 мм.
2.4.3. Перед регулятором устанавливается технический манометр избыточного давления МГП-М-1,6МПа — 2,5 ТУ 25 7310 0045-87 для замера величины входного давления.
2.4.4. На выходном газопроводе рядом с местом вывода импульсной трубки устанавливается мановакууметр двухтрубный МВ-1-600(612,9) ТУ 92-891.026-91 при работе на низких давлениях или манометр избыточного давления МГП-М-0,1МПа — 2,5 ТУ 25 7310 0045-87 при работе на среднем давлении газа для замера выходного давления.
2.4.5. Импульсный трубопровод, соединяющий регулятор с местом отбора, должен иметь диаметр Ду для РДГ-50 и РДГ-80 и Ду35 для РДГ-150 в соответствии с рисунком 5. Место соединения импульсного трубопровода должно быть расположено сверху газопровода на расстоянии не менее пяти условных диаметров от выходного фланца изделия.
2.4.6. Местные сужения проходного сечения импульсной трубы не допускаются.
2.4.7. герметичность исполнительного устройства, стабилизатора, регулятора управления, механизма контроля проверяется при пробном пуске регулятора. При этом устанавливается максимальное для данного регулятора входное и полуторакратное выходное давление, а герметичность проверяется с помощью мыльной эмульсии. Опрессовка регулятора давлением, величина которого выше указанной в паспорте недопустима.
2.4.8. При проведении пусконаладочных работ не допускается:
- Перекрытие импульсного трубопровода, соединяющего место замера выходного давления с колонкой регулятора.
- Сброс входного давления при наличии выходного и управляющего перепада давлений на рабочей мембране исполнительного механизма регулятора.
2.4.9. Для повышения быстродействия регулятора при работе на входных давлениях не более 0,2МПа допускается стабилизатор (в РДГ-Н) снимать и подавать входное давление в регулятор управления прямо от фильтра (по схеме РДГ-В) в соответствии с рисунком 2.
2.4.10. Определение пропускной способности (м³/ч) регуляторов объёмного расхода газа, приведенного к нормальному состоянию Рн=0,10132МПа, Тн=2930К и плотность газа рн=0,72 кг/см2 проводится по приближенным формулам или по графику в соответствии с рисунком 4.
Пропускная способность (м³/ч) при докритическом соотношении давлений
(1)
(2)
Где Q01 — наибольшая пропускная способность регулятора при входном давлении Р1 0,1МПа по таблицам 5...10;
Р1, Р2 — абсолютные значения входного и выходного давления в кгс/см2.
Точные значения пропускной способности регуляторов определяются по таблицам 5...10.
Рисунок 4
Номограмма по определению пропускной способности регуляторов типа РДГ-50(В), РДГ-80Н(М), РДГ-150Н(М)

Примечание: Для регуляторов типа РДГ-50В, РДГ-80В, РДГ-150В
наименьшее входное давление Р1 наим=0,1МПа
Пример: Дано регулятор РДГ-50Н, Р1=0,3МПа, Р1=0,005МПа, найти Q. Результат Q=2200м³/ч
Таблица 5
Пропускная способность Q м³/ч регулятора РДГ-50Н; РДГ-50В (седло ?45мм, р=0,72 кг/см2)

Таблица 6
Пропускная способность Q м³/ч регулятора РДГ-50Н; РДГ-50В (седло ?40мм, р=0,72 кг/см2)

Таблица 7
Пропускная способность Q м³/ч регулятора РДГ-50Н; РДГ-50В (седло ?35мм, р=0,72 кг/см2)

Таблица 8
Пропускная способность Q м³/ч регулятора РДГ-50Н; РДГ-50В (седло ?30мм, р=0,72 кг/см2)

Таблица 9
Пропускная способность Q м³/ч регулятора РДГ-50Н; РДГ-50В (седло ?65мм, р=0,72 кг/см2)

Таблица 10
Пропускная способность Q м³/ч регулятора РДГ-50Н; РДГ-50В (седло ?98мм, р=0,72 кг/см2)

Рисунок 5


Подробную информацию по стоимости и наличию промышленного газового оборудования можно получить по телефонам в г. Саратове: (8452)95-50-88, 95-57-81
ООО «ГАЗМОНТАЖКОМПЛЕКТ» — производитель РДГ-25-Н(В); РДГ-50-Н(В);
РДГ-80-Н(В); РДГ-150-Н(В)
ООО «ГАЗОВИК-КОМПЛЕКТ» - поставка газового оборудования в Казахстан, Узбекистан, Туркменистан, Азербайджан.
Телефон: (8452) 95-62-00